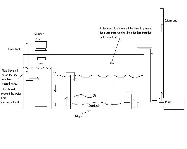
Here is a sketch of my sump that I will making in the next few weeks. This is my 1st sump and I hope I am doing it somewhat right. I have been looking at all the other designs that are on the web and I think it will work. Any comments or suggestions would be helpful.
Thanks.
Thanks.



