Hi,
I'm trying to setup a manifold for my sump return (similar to the one
shown by Anthony Calfo here: http://www.wetwebmedia.com/pbh2oret.htm
or here http://www.advancedaquarist.com/issues/ ... /short.htm).
However, it seems that for a tank of my size (90 gal) I need a large
pump (that will be able to put about 1000 gal/h at 4' head). I notice
that all the pumps capable of doing that have 1'' fitting, presumably
because they need them.
On the other hand, the manifold cannot be made out of 1'' pipe (it
will simply not fit above the water level and/or would be very ugly if
you can see it from below); I already built a manifold of 1/2'' CPVC
that fits nicely in the aquarium.
You see my problem right there: 1'' return, but 1/2'' manifold.
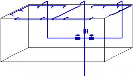
To fix this problem, I'm thinking to split the return into two or
three 1'' pipes, and reduce them after that (see figure).
1. Is it a good idea to split the return? Any special plumbing
required or will a simple "cross" do it?
2. Should I get a wider pipe for the manifold (e.g., 3/4'' CPVC)?
(that implies that I have to re-build the manifold).
3. Should I use a smaller pump (100-200gph) as return from the sump (I
have a rather small sump - 15gal out of which 7 gal is meant as
algae scrubber and the rest is buffer for return) and use a closed
loop to get more circulation?
4. Should I get more/less outputs for the manifold (currently I have
the 6 ones shown in the figure, the tank is 4' long, 1.5' wide)?
5. How many gallons per hour do I need for the tank (again 90 gal, I
plan to get full reef eventually - in 1-2 years)?
6. Can you recommend any particular pump for the job (I know that it
should not be a Rio). I'm looking for a pump that is:
a) quiet (the tank is in the family room),
b) reliable,
c) reasonable priced,
d) that does not heat the aquarium too much (we have a pretty warm
house - 75F year round, I'll probably end up with 2 x 250W MH, and
I don't want to buy a chiller if I can help it)and
e) that fails in a way that does not take down the system (i.e., no oil
leaks or shocks all my fishes).
f) That are forgiving to running dry (if for watever reason my
sump runs dry)
I know that it's a lot to ask from a pump, but please send me your
favourites and their nice features (and the not-so-nice ones).
7. How can I connect the return to the manifold in a way that does not
leak and that can be undone for maintenance, cleaning, etc...
I heard about "quick connect" things, but I couldn't find any at
the local hardware store (Lowes); at least I couldn't find any made
out of plastic (metals are a no-no for marine systems, right?).
I pretty much read all the reefs.org on manifolds (search on
manifold), but I'm still confused...
Read the first post here if you want to see why
http://reefs.org/phpBB2/viewtopic.php?t ... t=manifold
Thanks a lot for the help,
Mihai
I'm trying to setup a manifold for my sump return (similar to the one
shown by Anthony Calfo here: http://www.wetwebmedia.com/pbh2oret.htm
or here http://www.advancedaquarist.com/issues/ ... /short.htm).
However, it seems that for a tank of my size (90 gal) I need a large
pump (that will be able to put about 1000 gal/h at 4' head). I notice
that all the pumps capable of doing that have 1'' fitting, presumably
because they need them.
On the other hand, the manifold cannot be made out of 1'' pipe (it
will simply not fit above the water level and/or would be very ugly if
you can see it from below); I already built a manifold of 1/2'' CPVC
that fits nicely in the aquarium.
You see my problem right there: 1'' return, but 1/2'' manifold.
To fix this problem, I'm thinking to split the return into two or
three 1'' pipes, and reduce them after that (see figure).
1. Is it a good idea to split the return? Any special plumbing
required or will a simple "cross" do it?
2. Should I get a wider pipe for the manifold (e.g., 3/4'' CPVC)?
(that implies that I have to re-build the manifold).
3. Should I use a smaller pump (100-200gph) as return from the sump (I
have a rather small sump - 15gal out of which 7 gal is meant as
algae scrubber and the rest is buffer for return) and use a closed
loop to get more circulation?
4. Should I get more/less outputs for the manifold (currently I have
the 6 ones shown in the figure, the tank is 4' long, 1.5' wide)?
5. How many gallons per hour do I need for the tank (again 90 gal, I
plan to get full reef eventually - in 1-2 years)?
6. Can you recommend any particular pump for the job (I know that it
should not be a Rio). I'm looking for a pump that is:
a) quiet (the tank is in the family room),
b) reliable,
c) reasonable priced,
d) that does not heat the aquarium too much (we have a pretty warm
house - 75F year round, I'll probably end up with 2 x 250W MH, and
I don't want to buy a chiller if I can help it)and
e) that fails in a way that does not take down the system (i.e., no oil
leaks or shocks all my fishes).
f) That are forgiving to running dry (if for watever reason my
sump runs dry)
I know that it's a lot to ask from a pump, but please send me your
favourites and their nice features (and the not-so-nice ones).
7. How can I connect the return to the manifold in a way that does not
leak and that can be undone for maintenance, cleaning, etc...
I heard about "quick connect" things, but I couldn't find any at
the local hardware store (Lowes); at least I couldn't find any made
out of plastic (metals are a no-no for marine systems, right?).
I pretty much read all the reefs.org on manifolds (search on
manifold), but I'm still confused...
Read the first post here if you want to see why
http://reefs.org/phpBB2/viewtopic.php?t ... t=manifold
Thanks a lot for the help,
Mihai



