
atnixon":2pd6huae said:Thanks alot for all your replys...Now sorted...Did a full test run on all my new plumbing, with great sucess..A little gurgling sound from the overflow bulkead from the tank...Seems like the water is going back into the tank faster than its coming out of the tank..What am going to try and do is T off the return and send a pipe back to the fuge area with a ball valve on and see if i cant balance the flow...
Niko
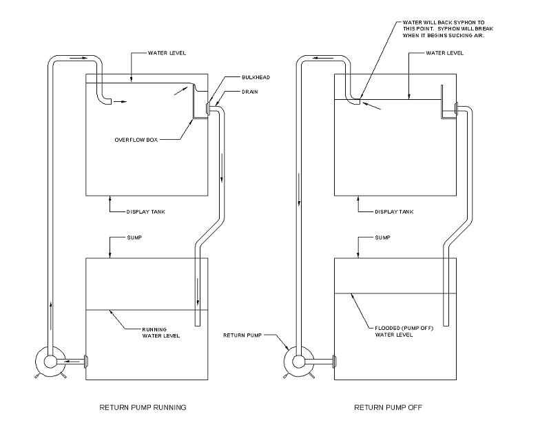
yes, mine gets clogged every so often!ChrisRD":2113d00x said:A word of caution about relying on a syphon break hole on the sump return line - if the hole gets clogged, covered with coralline growth, etc. it may not work and you could have a problem. Just remember to periodically check and maintain these openings if you go this route.
Best of luck with your setup.
atnixon":1ld25bd3 said:beaslbob...Its not the noise really of the water going down the pipe, its very quiet that bit is...its the gurgling sound due the water level at the top of the weir where the overflow bulkhead is keeps going up and down, thus causing the gurgling noise....Thats the bit i have to overcome matey...
Niko
